| branches > oil, margarines & sauces > oils & fats |
|
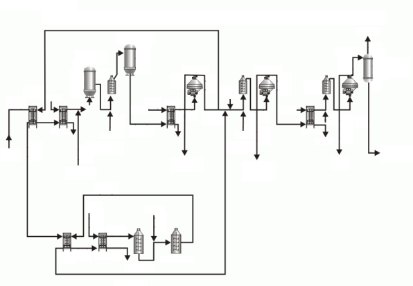
interactive flowsheets
Palm oil / vegetable oil
Palm oil / vegetable oil
| DEGUMMING |
| NEUTRALISATION |
| WASHING |
| DRYING |
| Eco nomiser |
| Steam |
| Conditioning Tank |
| Neutralisation Tank |
| Separator |
| Wash water |
| Separator |
| Wash mixer |
| Steam |
| Separator |
| Vacuum |
| Crude oil |
| Heater |
| Steam |
| Heater |
| Cloudy |
| Caustic |
| Re-refining mixer |
| Wax/ Soapstock/ Wash Water |
| Heater |
| Water |
| Wash water |
| Neutralised dewaxed oil |
| Vacuum dryer |
| Caustic |
| Neutralisation mixer |
| Phosphoric Acid |
| Soapstock/ Gum |
| Chilled Water |
| Caustic |
| Pre Cooler |
| Cooler |
| Crystalliser |
| Crystalliser |
| DEWAXING |
| RE-REFINING / DEWAXING |

companies



