| branches > olie, margarine & sauzen > oliën & vetten |
|
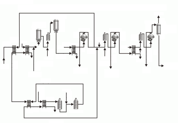
interactieve stroomschema's
Palmolie / plantaardige olie
Palmolie / plantaardige olie
| DEGOMMEREN |
| NEUTRALISATIE |
| WAS |
| Het DROGEN |
| Eco nomiser |
| Stoom |
| Conditionerings Tank |
| Neutralisatie Tank |
| Separator |
| Waswater |
| Separator |
| Wasmixer |
| Stoom |
| Separator |
| Vacuüm |
| Ruwe olie |
| Warmte- wisselaar |
| Stoom |
| Warmtewisselaar |
| Troebel |
| Loog |
| Reraffinage mixer |
| Was/ Zeepvoorraad/ Waswater |
| Warmtewisselaar |
| Water |
| Waswater |
| Geneutraliseerd dewaxed olie |
| Vacuüm droger |
| Bijtend |
| Neutralisatie mixer |
| Fosfor Zuur |
| Zeepvoorraad/ Gom |
| Gekoeld Water |
| Loog |
| Voor Koeler |
| Koeler |
| Kristallisator |
| Kristallisator |
| WASVERWIJDERING |
| RAFFINAGE / WASVERWIJDERING |

bedrijven



