| Herstellungsverfahren > Öl, Margarine & Saucen > Öle & Fetten |
|
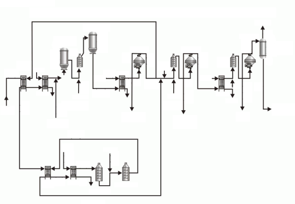
Verarbeitungsdiagrammen
Palmöl / pflanzliches Öl
Palmöl / pflanzliches Öl
| DEGUMMING |
| NEUTRALISATION |
| WASCHEN |
| TROCKNUNG |
| Eco nomiser |
| Dampf |
| Konditionieren Tank |
| Neutralisation Tank |
| Separator |
| Waschwasser |
| Separator |
| Waschmischer |
| Dampf |
| Separator |
| Vakuum |
| Rohes Öl |
| Wärme- austauscher |
| Dampf |
| Wärme- austauscher |
| Trüb |
| Lauge |
| Re-refining Mischer |
| Wax/ Seifelager/ Waschwasser |
| Wärmeaustauscher |
| Wasser |
| Wasch- wasser |
| Neutralisierte dewaxed Öl |
| Vakuum- trockner |
| Lauge |
| Neutralisier Mischer |
| Phosphorsauer |
| Seifelager/ Gummi |
| Kaltes Wasser |
| Lauge |
| Vor Kühler |
| Kühler |
| Kristallisator |
| Kristallisator |
| DEWAXING |
| RE-REFINING / DEWAXING |

Firmen



